Program Motor Stepper dengan Bascom AVR

Pada postingan saya sebelumnya, saya sudah post kan tentang Prinsip program Motor Stepper | Wiring Motor Stepper serta Program Motor Stepper dengan CodeVision AVR , maka dalam tulisan kali ini tentang Program Motor Stepper dengan Bascom AVR.

Untuk memudahkan belajar buat rangkaian simulasinya di proteus, seperti gambar dibawah ini:

Program Motor Stepper dengan Bascom AVR
Program Motor Stepper dengan Bascom AVR

Berikut programnya

$regfile = "m8535.dat"
$crystal = 12000000
Config Portc = Output
Dim A As Integer



"Misal 1 step motor stepper sebesar 1 derajat maka untuk menggerakkan motor stepper sebesar 60 derajat"

For A = 0 To 60
Portc = &B00000001
Waitms 50
Portc = &B00000010
Waitms 50
Portc = &B00000100
Waitms 50
Portc = &B00001000
Waitms 50
Next A


"Misal 1 step motor stepper sebesar 1 derajat maka untuk menggerakkan motor stepper sebesar 180 derajat"
For A = 0 To 180
Portc = &B00000001
Waitms 50
Portc = &B00000010
Waitms 50
Portc = &B00000100
Waitms 50
Portc = &B00001000
Waitms 50
Next A


"Misal 1 step motor stepper sebesar 1 derajat maka untuk menggerakkan motor stepper secara continues"

do
Portc = &B00000001
Waitms 50
Portc = &B00000010
Waitms 50
Portc = &B00000100
Waitms 50
Portc = &B00001000
Waitms 50
loop

Program Motor Stepper dengan Bascom AVR
 Program Motor Stepper dengan Bascom AVR

Rangkaian dan Program Motor Stepper

Kalau pada tulisan sebelumnya sudah saya tuliskan Prinsip program Motor Stepper | Wiring Motor Stepper serta Program Motor Stepper , maka dalam tulisan kali ini tentang kombinasi dari keduanya, kita akan merangkain dan memprogram motor stepper.

Buat rangkaian interface motor stepper seperti berikut atau bisa juga menggunakan fitur simulasi dari proteus.

Rangkaian dan Program Motor Stepper

Berikut program motor stepper menggunakan bahasa c:

 for(i=0;i<50;i++)                 
      {
       PORTC=0x01;
       delay_ms(50);
       PORTC=0x02;
       delay_ms(50);
       PORTC=0x04;
       delay_ms(50);
       PORTC=0x08;
       delay_ms(50);
       }





Untuk menggerakkan motor stepper sebesar 180 derajat
       for(i=0;i<200;i++)
      {
       PORTC=0x01;
       delay_ms(50);
       PORTC=0x02;
       delay_ms(50);
       PORTC=0x04;
       delay_ms(50);
       PORTC=0x08;
       delay_ms(50);
       }  



Untuk menggerakkan motor stepper sebesar 360 derajat
 for(i=0;i<400;i++)
      {
       PORTC=0x01;
       delay_ms(50);
       PORTC=0x02;
       delay_ms(50);
       PORTC=0x04;
       delay_ms(50);
       PORTC=0x08;
       delay_ms(50);
       }   

Berikut hasil simulasinya:

 Rangkaian dan Program Motor Stepper

Valentine's Day (Dalam Diskusi)??? | Hari Valentine

       Dalam era komunikasi sekarang ini, dimana jarak bukan lagi sesuatu yang menjadi permasalahan dalam bertukar informasi, maka pertuakaran pendapat/informasi terjadi antar daerah, lintas kota, antar negara bahkan lintas benua. Dari proses tersebut maka akulturasi (penyesuaian/penggabungan) budaya merupakan keniscayaan, proses akulturasi tersebut mengharuskan kita, untuk menyeleksi mana budaya atau kebiasaan yang memang patut dicontoh atau budaya yang harus dihindari, dan dari dua sikap hitam putih itu  ada sikap tengah yang harus kita miliki, yaitu toleransi atau saling menghargai.

       Salah satu akulturasi budaya yang masih dalam perdebatan, yaitu hari Valentine's Day a.k.a hari valentine yang sampai saat ini masih menuai sikap pro dan kontra di Indonesia. Indonesia yang majemuk dan plural dalam keyakinan mempunyai banyak pendapat menyikapi hari ini, dari kelompok yang mengharamkan, membolehkan, atau juga netral (cuek/acuh). Beragam pendaapat seperti ini saya pikir baik jika disikapi dengan sikap dewasa, namun dapat menjadi ancaman perpecahan jika dibumbui oleh provokasi dan saling menyalahkan.

       Pertama, kelompok yang mengharamkan, ini berasal dari pemahaman keagamaan, dalam hal ini islam, dan saya kira wajar karena hampir 90 % penduduk indonesia beragama islam, namun bukan berarti seluruh muslim indonesia mengharamkan valentine, tapi ada kelompok / perorangan yang mengharamkannya. Pelarangan ini berkaitan dengan pelarangan mengikuti perayaan agama lain, dan kelompok yang pertama ini berpijak dari sejarah hari valentine, berikut saya petikkan sejarahny a(menurut kelompok ini):

      Pada tanggal 14 Februari 270 M, St. Valentine dibunuh karena pertentangannya (pertelingkahan) dengan penguasa Romawi pada waktu itu iaitu Raja Claudius II (268 - 270 M). Untuk mengagungkan dia (St. Valentine), yang dianggap sebagai simbol ketabahan, keberanian dan kepasrahan dalam menghadapi cubaan hidup, maka para pengikutnya memperingati kematian St. Valentine sebagai 'upacara keagamaan'.
 
     Tetapi sejak abad 16 M, 'upacara keagamaan' tersebut mulai beransur-ansur hilang dan berubah menjadi 'perayaan bukan keagamaan'. Hari Valentine kemudian dihubungkan dengan pesta jamuan kasih sayang bangsa Romawi kuno yang disebut “Supercalis” yang jatuh pada tanggal 15 Februari.
 
    Setelah orang-orang Romawi itu masuk agama Nasrani(Kristian), pesta 'supercalis'  kemudian dikaitkan dengan upacara kematian St. Valentine. Penerimaan upacara kematian St. Valentine sebagai 'hari kasih sayang' juga dikaitkan dengan kepercayaan orang Eropah bahwa waktu 'kasih sayang' itu mulai bersemi 'bagai burung jantan dan betina' pada tanggal 14 Februari.

      Terlepas dari keabsahan/kebenaran sejarahnya, menurut kelompok ini hari valentine merupakan ritus keagamaan lain yang jika kita mengikutinya, maka kita termasuk kelompok mereka, dan itu diharamkan. dan biasanya kelompok ini menyebarkan pemhamannya melalui website, blog, sosial media seperti facebook, twitter, dll.

      Keuda, Kelompok yang merayakan, kelompok ini sebagian berdomisili di kota - kota besar dan sebagian juga di daerah, biasanya merayakan hari valentine dengan gegap gempita mulai dari sekedar bertukar kado dengan sesama teman, dengan pasangan bahkan dengan mengadakan pesta - pesta /perayaan khusus untuk merayakan hari valentine,untuk masalah keyakinan / pondasi kelompok ini dalam merayakaannya biasnya tidak mempunyai pijakan khusus, hanya sekedar mengikuti trend.
        Lalu dari dua kelompok  diatas, apa sikap terbaik kita baik sebagai umat beragama dan manusia di era pertukaraan informasi dan penduduk lintas budaya. saya pikir ada satu nilai dasar yang harus dihormati bersama sebagai sesama manusia yang kebebasannya memang di berikan oleh Tuhan ( ada kaidah La Ikraha Fid Din | Tidak ada paksaan dalam agama(berkeyakinan) ),  yaitu sikap toleransi atau saling menghormati. Bagi mereka yang mengharamkan, coba lebih bersikap open minded karena memang tidak ada orang yang mewajibkan ataupun mensunnahkan, kalaupun sejarah hari valentine yang dikemukakan benar apakah orang yang merayakannya diniatkan untuk ibadah, tidak bukan. Lalu bagi kelompok yang merayakannya, janganlah perayaannya diisi dengan kegiatan pemborosan, atau kegiatan negatif (narkoba, minuman keras, free sex ) yang memang jelas - jelas salah dari segi etika dan norma apalagi agama..

     Terakhir, pesan saya khusus kepada sesama muslim, marilah kita selalu memberikan tempat terhormat untuk perbedaan dan saling menghormati akan hal  itu. Kalau ada teman/saudara/kerabat kita yang merayakan dengan hanya sekedar bertukar kado (saya pikir ini hal positif) maka minimal terima saja sebagai pemberian tulus dari sahabat/saudara kita tanpa harus dibumbui dengan kecurigaan tentang hari valentine, Sungguh, agama ini memerintahkan untuk membalas tiap pemuliaan dengan penghargaan yang lebih baik, minimal senilainya. (QS 4: 86). Yang terlarang bukan lah harinya tapi mengisi hari tersebut dengan kegiatan yang jelas-jelas dilarang dan salah baik dari sisi etika, norma dan agama

Wallahualam

Valentine's Day (Dalam Diskusi)??? | Hari Valentine

Valentine's Day (Dalam Diskusi)??? | Hari Valentine

Valentine's Day (Dalam Diskusi)??? | Hari Valentine

Will you Remember?

-It's not the end, it's just the beginning-


bergegaslah, kawan... tuk sambut masa depan

berikan senyuman tuk sebuah perpisahan!

kenanglah sahabat... kita untuk slamanya!











finally now, its our time to make a history

Tags:
Muhammad Aldrin, Meri Wardana, Muhammad Fachry, Novarisky, Ahmad Sajili, Vernandes 

Program Motor Stepper

Artikel ini merupakan kelanjutan dari tulisan sebelumnya mengenai Prinsip program Motor Stepper , jadi silahkan baca dulu tulisan sebelumnya bagi yang belum membaca.

Jadi bersasarkan prinsip motor stepper di tulisan sebelumnya, dapat kita buat program menggunakan compiler code vision AVR sebagai berikut:

Misal: Motor stepper yang digunakan memiliki karakteristik 0,9 derajat per step

Maka programnya utamanya (untuk setting input/output silahkan atur terlebih dahulu:


Untuk menggerakkan motor stepper sebesar 45 derajat
 
 for(i=0;i<50;i++)                  
      {
       PORTC=0x01;
       delay_ms(50);
       PORTC=0x02;
       delay_ms(50);
       PORTC=0x04;
       delay_ms(50);
       PORTC=0x08;
       delay_ms(50);
       }





Untuk menggerakkan motor stepper sebesar 180 derajat
       for(i=0;i<200;i++)
      {
       PORTC=0x01;
       delay_ms(50);
       PORTC=0x02;
       delay_ms(50);
       PORTC=0x04;
       delay_ms(50);
       PORTC=0x08;
       delay_ms(50);
       }   



Untuk menggerakkan motor stepper sebesar 360 derajat
 for(i=0;i<400;i++)
      {
       PORTC=0x01;
       delay_ms(50);
       PORTC=0x02;
       delay_ms(50);
       PORTC=0x04;
       delay_ms(50);
       PORTC=0x08;
       delay_ms(50);
       }   

Untuk menggerakkan motor stepper berputar terus (continues)

  while(1)
      {
       PORTC=0x01;
       delay_ms(50);
       PORTC=0x02;
       delay_ms(50);
       PORTC=0x04;
       delay_ms(50);
       PORTC=0x08;
       delay_ms(50);
       }   

Soft Launching Acmy Radio 107,7 FM

“Sesungguhnya Tuhan selalu memberikan apa yang diminta oleh setiap orang yang meminta padaNya”


       Dulu sewaktu masih duduk di bangku SMA, salah satu kegiatan yang rutin saya lakukan adalah mendengar radio, entah hanya untuk mengetahui update lagu – lagu terbaru atau untuk menantikan tips tips terkini yang biasanya diberikan oleh penyiar / announcer radio.

      Sejak saat itu, saya mulai mengidentifikasikan penyiar / announcer merupakan suatu kegiatan yang dilakukan oleh orang yang memiliki bakat komunikasi yang super baik, smart, pengetahuannya luas, ganteng dan cantik tentunya. Dan timbul naluri sebagai manusia, “saya ingin jadi penyiar”

      Selepas masa SMA, cita-cita saya juga masih belum kesampaian, pun ketika kuliah sampai dapat gelar ST dibelakang nama saya, masih juga saya belum mampu mewujudkan sesuatu yang saya impikan tersebut. Satu yang menghibur saya yaitu saya tiga kali pernah ikut On Air di radio, yaitu dua kali jadi narasumber mewakili Badan Ekskutif mahasiswa kampus saya di acara “ mahasiswa bicara” dan satu kali nemenin grup band nasyid dari Bandung sebagai Liason Officer waktu, grup tersebut, ngadain konser di kampus saya, untuk pengalaman singkat tersebut pun, saya ucapakan terima kasih sepenuhnya padaMu, Tuhan . Alhamdulillah.

     Sampai ketika ketemu teman saya ketika kuliah dulu, singkat cerita beliau mengajak saya untuk hadir dalam persiapan Launching sebuah radio baru dikota Palembang, dan ketika datang, saya langsung diminta untuk check suara, dan walhasil dari beberapa orang yang check suara, saya dinilai yang terbaik di antara yang lain, “what’s going on!

      Besoknya saya diminta untuk memandu acara untuk soft launching ( baru launching secara resmi di radio) belum peresmian yang sebenarnya. Dengan memandu dua orang inisiator dari radio ini, dengan persiapan yang kurang dari 15 jam, saya hanya berdoa semoga ngak mengecewakan orang yang sudah percaya kepada saya, terkhusus buat para kru radio ini.

     Ohya sebelumnya saya belum cerita mengenai radio ini, radionya bernama ACMY radio di saluran 107,7 fm, jadi buat masyarakat Palembang, buruan di search dan di jadiin favorites mobile radio nya masing-masing. :D, ACMY sendiri merupakan singkatan dari Aqobah Community Moslem Youth, jadi radio ini menawarkan genre anak muda dengan nuansa religi.

     Lanjut cerita mengenai soft launching radionya, walaupun mundur sekitar 30 menit dari waktu yang sudah di jadwalin, tapi tetep dengan perasaan grogi baik dari saya (announcer) ataupun para narasumber (kang dona dan kang zaki) ternyata cukup mendapat respon positif dari para pendengar yang ngupingin obrolan kita, oh god, thanks for all, ternyata obrolan yang berlangsung hampir satu jam cukup berlangsung menarik dan lancar, dan ditutup dengan harapan semoga radio ini mampu menjadi tawaran dari berbagai macam media yang saat ini sering menuai kritik karena dinilai kurang independent dalam menyampaikan, sesuai dengan Tag line (sementara) dari radio ini, “jendela informasi Anda”

Soft Launching  Acmy Radio 107,7 FM
Wajah lugu saya waktu bawain acara

10 Tips menjadi penyiar / Announcer Radio (dadakan)

Pagi/siang/sore/malem sahabat pembaca,

“Jika saya diberi waktu 8 jam untuk menebang suatu pohon, maka 6 jam saya akan gunakan untuk mengasah kampak saya” (Abraham Lincoln)


10 Tips menjadi penyiar / Announcer Radio (dadakan)' border=
      Tips ini tercipta dengan latar belakang pengalaman saya pribadi, ketika diminta untuk menjadi penyiar / announcer radio, dimana saya belum punya pengalaman sebelumnya penjadi penyiar diperparah dengan permintaan ini disampaikan kurang dari 15 jam sebelum kegiatan dimulai. –tragis-

       Seperti kata Abraham Lincoln “Jika saya diberi waktu 8 jam untuk menebang suatu pohon, maka 6 jam saya akan gunakan untuk mengasah kampak saya”, berbekal kata kata dari opa lincoln itu saya mulai googling di yahoo (ha…) untuk berbagai tips serta download di youtube  cara penyiar radio dalam ngebawain acara, dan sialnya ternyata video tersebut  berbahasa Inggris, (bahasa yang saya sukai tapi tidak saya mengerti, -tragis-)

     Oke, dari berbekal tutorial yang sudah dibaca, berlangsunglah acara yang dinantikan oleh para kru radio tapi tidak buat saya pribadi,  hampir satu setengah jam On Air di radio dan ketika keluar dari ruang studio, dengan wajah lesu dan menunduk, saya tatap wajah para kru radio, dengan wajah garang salah seorang mendekati saya lalu berbisik “ I like your style”, mendengar kalimat itu, rasa-rasaya saya dibawa menaiki paus di atlantis dan terbang ke rasi bintang paling manis ( korban iklan –tragis-)

10 Tips menjadi penyiar / Announcer Radio (dadakan)

Oke. Berikut tips-tipsnya, stay tune:

  1. Berdoalah, sebelum siaran saya tiba – tiba menjadi pribadi yang sangat religius, ucapkan Bismillah ( Tuhan, semoga sebentar lagi PLN matiin listriknya biar gak jadi On Air)
  2. Tenanglah, bila perlu hubungin uya kuya biar dihipnotis terlebih dahulu.
  3. Percaya diri, please!!! untuk kali ini aja,  percaya sama kemampuan diri anda, walaupun sebelumnya diri elu kadang – kadang ngeboongin elu
  4. Jangan Grogi, Ingat kata Ranchodas Chad Chad (3 Idiots) ucapkan All iz Well… All iz Well… All iz Well… All iz Well
  5. coba baca ulang tips dari nomor satu sampe empat
  6. Ketika menyapa pendengar di radio, percayalah mereka gak  kenal sama kamu, jadi jalan aja terus, gak usah takut dihadang / digebukin kalau ketemu sama pendengar kamu dijalan.
  7. Perbanyak perbendaharaan kata, ini sangat penting, biar pendengar kamu gak bosen dengan kata – kata yang sering kamu ucapkan. (ini tips serius)
  8. Sering – sering denger radio, inget jangan cuma denger lagunya, apalagi nge sms penyiarnya buat request lagu.
  9. Latihan, karena practice makes perfect
  10.  gak ada lagi, Cuma pengen nge-genepin aja biar jadi 10.

Sekian

Prinsip program Motor Stepper | Wiring Motor Stepper

     Motor Stepper merupakan motor yang yang berputar step per step sesuai dengan pulsa yang diberikan padanya, pada umumnya motor stepper ini memiliki 4 buah pin signal, 2 pin lainnya, terkadang semuanya Vcc, atau terkadang Vcc dan Ground.

Dari ke empat signal tadi kita beri logika high secara bergantian, misal pin signal 1, Signal 2, Signal 3, Signal 4 kita beri logika:

Signal 1, Signal 2, Signal 3, Signal 4
0                0                 0            1
0                0                 1            0
0                1                 0            0
1                0                 0            0

Maka motor stepper akan berputar sebanyak satu step, misal satu nya 1 derajat, maka untuk menggerakkan motor stepper sebesar 360 derajat kita ulangi perintah tersebut sebanyak 360 kali, sesuai dengan kebutuhan kita.


Berikut Wiring dari Motor Stepper dengan Mikrokontroler

Prinsip program Motor Stepper | Wiring Motor Stepper)

Kita memerlukan driver untuk menggerakkan motor stepper melalui mikrokontroler, kalau mau praktis kita bisa gunain ic uln 2003 atau bisa juga merangkai sendiri rangkaian drivernya menggunakan transistor.

Untuk programnya, saya akan buat di tulisan saya selanjutnya.
Semoga bermanfaat

Peradaban Islam dalam perspektif Muhammad Natsir

"Islam is much more than system of theology, it is a complete civilisation"
(H.A.R Gibb, Whither Islam)

      Dalam essay panjangnya Muhammad natsir, Intelektual Muslim diawal abad ke-20 mengawali tulisannya dengan mengutip Prof. H.A.R gibb seorang orieantlis Islam dan penulis buku Whither Islam "Islam is much more than system of theology, it is a complete civilisation", pendapat yang tentunya bukan keluar dari seorang fanatik namun keluar profesor terkemuka yang telah lama meneliti islam dan tinjauan sejarahnya.

      Islam dalam pandangan Natsir dari awal perkembangannya dari nabi Adam hingga mencapai puncaknya di era nabi Muhammad merupakan agama yang membebaskan manusia dari belenggu kebodohan, feodalisme, kesukuan dan menempatkan manusia sebagaimana manusia sesungguhya, manusia yang merdeka. Pada perkembangannya, di jazirah Arab ketika masyarakat pada saat itu terbagi menjadi berbagai kabilah / kelompok yang terpecah belah dengan hak dan kewajiban yang berbeda, maka islam menawarkan persatuan dalam kerja sama dan persamaan hak bagi setiap orang.

      Di abad pertengahan, peradaban islam merupakan mercusuar peradaban, cahaya bagi ilmu pengetahuan, ketika peradaban di bumi lain masih percaya  terhadap mistikisme dan takhayul maka sarjana - sarjana islam  mengembangkan filsafat dasar pengetahuan. Ketika orang -orang eropa menganggap benda - benda langit sebagai pertanda nasib baik dan buruk maka kaum terpelajar islam sedang meneliti dan mempelajari ilmu astronomi.

     Di abad itu pula di masa pemerintahan khalifah Al mansyur, Khalifah kedua dari dinasti Abbasiyah ia memanggil setiap ahli dari berbagai macam tempat, tidak perduli ras maupun agamanya untuk dijadikan peneliti di kerajaan dengan bayaran, perlakuan dan penghargaan yang tinggi, ada nama-nama seperti maubatch, ahli astronomi beragama majusi, georgy bachtisju, seorang dokter nasrani, kesemuanya menjadi garda terdepan dari peneliti-peneliti yang dimiliki oleh kerajaan.

     Selain dibidang science, peradaban dan kebudayaan islam juga berkembang di bidang filsafat, karya - karya filosof klasik Yunani dan Romawi seperti, Aristoteles, plato, Euclydes, Plotemeus diterjemahkan dan didiskusikan untuk direkontruksi dan dikembangkan. Dizaman ini akal ditempatkan sebagaimana mestinya, dizaman ketika eropa menghukum mati Copernicus dan Galileo karena rasionalitas mereka dalam berfikir. Di masa ketika agama lain melarang pengikutnya untuk membaca dan mempelajari kitab ataupun karya dari agama berbeda, maka islam pada abad keemasan ini memerintahkan untuk menerjemahkan setiap kitab suci dari agama manapun dan karya intelektual dari siapaun pun untuk menjadi bahan diskusi dan perbincangan oleh semua ahli akal.

     Dari peradaban gilang gemilang itu kita masih mengenal nama - nama yang karyanya masih juga dipelajari di universitas - universitas eropa pada zaman ini, seperti Al Kindi, Ibnu Kholdun, Ibnu Sina, Al Khawarizmi, Ibnu batutah, dan IBnu Rusyd, serta berbagai nama lainnya. nama - nama yang mengilhami Ressainse di eropa.

   Muhammad Natsir merumuskan mengapa islam pernah mengalami masa yang begitu beradab dan berbudaya, dan kenapa pula islam pada masa ini belum mampu merangkak bangkit untuk mencahayai peradaban dunia lagi

     Pertama, Agama Islam menghormati dan menjunjung tinggi akal manusia dan mendudukkan akal itu pada tempat yang terhormat serta memerintahkan kepada setiap manusia untuk mempergunakan akal itu untuk meneliti keadaan alam semesta. Kedua, Islam mewajibkan pemeluknya, baik laki - laki maupun perempuan,untuk menuntut ilmu.Hadist nabi: "Tuntutlah ilmu dari awal kehidupan hingga berakhirnya kehidupan". ketiga, Islam melarang bertaklid-buta, menerima sesuatu sebelum diperiksa dan diteliti, walaupun datangnya dari kalangan sebangsa dan seagama. Keempat, Agama Islam menyuruh memeriksa/meneliti dan menerima kebenaran, walaupun datangnya dari kaum yang berlainan bangsa dan kepercayaan(agama). Kelima, Agama Islam menggemarkan dan mengerahkan pemeluknya pergi meninggalkan kampung halaman berkunjung kenegeri lain, menjalin silaturrahim dengan bangsa dan golongan lain, saling bertukar rasa dan pemandangan. "Wajib atas tiap-tiap Muslim yang mampu, untuk pergi sekurangnya sekali seumur hidupnya mengerjakan haji". Karena Pada saat itu terdapatlah pertemuan yang akrab antara segenap bangsa dan golongan diatas dunia ini. Keadaan yang menimbulkan perhubungan persaudaraan dan perhubungan kebudayaan (akulturasi) yang sangat penting artinya untuk kemajuan tiap-tiap bangsa.

Inspiratif | Lahan Parkir Tenaga Surya

Jepang tak habis - habisnya membuat inovasi dibidang pemanfaatan / rekaya teknologi, akhir - akhir ini Jepang mengembangkan sistem parkir bertenaga surya. Sungguh usaha pemanfaatan teknologi yang begitu inovatif,  Untuk lebih tepatnya silahkan teruskan membaca,

sumber : Kaskus



        Pemerintah Setagaya Ward, Tokyo, membuka "tempat parkir sepeda bertenaga matahari" dilengkapi dengan sistem photovoltaic (PV) pada 16 Maret 2010.Ini adalah tempat parkir sepeda bertenaga matahari kedua parkir sepeda di prefektur, dan dengan kapasitas 100 sepeda sekarang tersedia untuk disewa dengan harga ¥ 300 per hari.


       Pada tempat parkir sepeda bertenaga matahari, listrik yang dihasilkan oleh sel-sel PV disimpan dalam baterei isi ulang lithium-ion (Li-ion) kapasitas besar. Kemudian, daya listrik yang ditransfer ke baterai Li-ion dapat dipasang pada sepeda. Parkir sepeda bertenaga matahari memiliki 36 PV panel dengan nilai output 210W (total 7.56kW) di atapnya dan Li-ion baterai yang dapat diisi ulang dengan kapasitas 9.678kWh. Daya listrik Li-ion battery yang dipasang pada fitur sepeda dengan kapasitas 160Wh dan dapat melakukan perjalanan lebih dari 30km per charge.


        Bila baterai terisi penuh, parkir dapat digunakan selama dua atau tiga hari bahkan jika tidak dapat diisi  dikenakan karena cuaca buruk, kata Sanyo Electric Co Ltd, yang menyediakan sistem PV. Li-ion baterai dari tempat parkir juga dapat diisi dengan listrik dari grid.


           Type PV panel adalah "HIP-210NKH5," yang modul efisiensi konversinya adalah 17,0%. Baterai Li-ion untuk tempat parkir adalah sebuah paket yang terdiri dari tiga "DCB-101" sistem, yang masing-masing dibuat dengan menghubungkan 13 sel Li-ion tipe 18650 secara seri yang dikembangkan oleh Sanyo dan menghubungkan 24 unit sel-sel yang terhubung secara paralel. Dua Paket diinstal di tempat parkir.
Baterai untuk sepeda dibuat dengan menghubungkan 7 18650-tipe Li-ion sel secara seri dan menghubungkan 3 unit sel-sel yang terhubung secara paralel. Jenis sepeda adalah sepeda eneloop CY-SPA226, yang dapat membantu mengayuh lebih kuat daripada sepeda tenaga listrik lainya.


Beberapa energi yang dihaslikan digunakan untuk penerangan tempat parkir itu sendiri










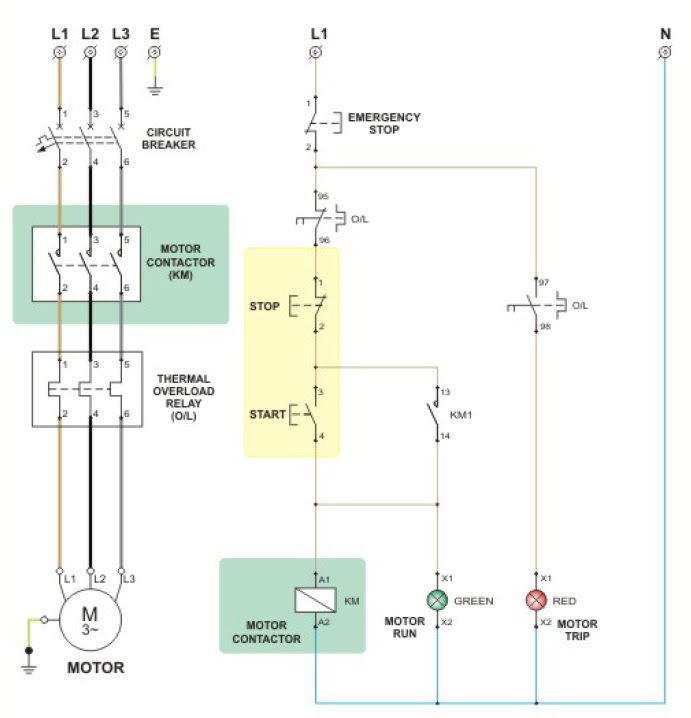
Starting Motor | Direct On Line

        DOL (Direct On Line) Starter adalah metoda starting motor dengan memberikan tegangan penuh dari jalajala secara langsung. Starter jenis ini biasanya digunakan untuk motor‐motor listrik yang berukuran kecil. DOL Starter digunakan apabila penurunan tegangan saat motor dihidupkan (starting) tidak menjadi masalah atau tegangan jatuh tidak melewati batas toleransi yang diijinkan mengingat arus starting motor jenis ini bisa 4‐7 kali lebih besar dari arus nominalnya. Sebagai contoh jika motor dalam kondisi running arusnya sekitar 4 ampere, maka ketika starting bisa mencapai 16 s/d 28 ampere. DOL Starter umumnya digunakan untuk starting motor dengan kapasitas dibawah 10 kW.

Definisi dan Konsep Instrumentasi

      Berkaitan dengan pengukuran maka beberapa istilah/definisi perlu Anda ketahui agar dapat memahami konsep pengukuran. Pengukuran / Instrumentasi Adalah proses untuk mendapatkan informasi besaran fisis tertentu, seperti tekanan (p), suhu (T), tegangan (V), arus listrik (I). Informasi yang diperoleh dapat berupa nilai dalam bentuk angka (kuantitatif) maupun berupa pernyataan yang merupakan sebauh simpulan (kualitatif). Untuk mendapatkan informasi tersebut maka diperlukan alat ukur, misalnya untuk mengetahui tegangan V  menggunakan alat multimeter.

Data Pengukuran
      Informasi yang diperoleh dalam suatu pengukuran disebut data. Sesuai dengan sifat pengukuran maka data dapat dibagi menjadi dua jenis, yaitu sebagai berikut: 

1. Data kualitatif
     Dengan data ini maka informasi yang diperoleh berupa sebuah pernyataan simpulan, misalnya “nilai kuantitas suhu dari sensor LM35 dapat dirubah menjadi sinyal digital menggunakan ADC”.
2. Data Kuantitatif
     Bila informasi yang diperoleh dalam pengukuran berupa nilai/angka maka data itu disebut data kuantitatif, misalnya sebuah pengukuran tegangan diperoleh ( 10  1) volt. Digolongkan menjadi dua jenis, yaitu:
    
a. Data empiris
     Data ini diperoleh langsung saat dilakukan pengukuran (apa yang terbaca pada alat ukur). Data empiris sering disebut juga data mentah karena belum diproses lebih lanjut. Tegangan yang terbaca pada voltmeter, misalnya adalah termasuk data empiris.

b. Data Terproses (processed data)
     Data ini diperoleh setelah dilakukan pengolahan tertentu, misalnya melalui sebuah perhitungan. Sebagai contoh jika diukur tegangan V dan arus I maka hambatan R = V/I setelah dihitung hasilnya disebut data terproses Data tipe ini biasanya diperoleh dari proses reduksi data.

Reduksi Data
     Berkaitan dengan data di atas maka setelah data terkumpul dari hasil suatu pengukuran selanjutnya dilakukan proses perhitungan-perhitungan matematik atau dilakukan penyusunan ulang data-data. Proses/prosedur ini disebut reduksi data atau pengolahan data.

Alat Ukur Listrik
      Piranti yang digunakan dalam pengukuran untuk memperoleh data disebut alat ukur. Istilah lain berkaitan dengan alat ukur adalah instrumentasi, yang menggambarkan satu kesatuan alat ukur tersebut, menyangkut alat serta mekanisme pengukurannya secara keseluruhan. Alat ukur listrik adalah slat ukur yang digunakan untuk mengukur besaranbesaran listrik beserta turunan-turunannya, seperti tegangan, arus, daya, frekuensi, hambatan. Contoh dari alat ukur listrik adalah voltmeter untuk mengukur tegangan. Alat ukur listrik memiliki beberapa keunggulan, di antaranya mudah digunakan; cepat menampilkan hash pengukuran, sensitivitas, kemampuan menyimpan informasi, akurasi, presisi, dan lain-lain. ralat dan; ketidakpastian.

      Secara konsep pengukuran, baik karena keterbatasan alat ukur maupun karena kondisi lingkungan maka dipercaya bahwa setiap pengukuran akan selalu menghasilkan hasil ukur yang tidak semestinya (sebenarnya). Dalam hal ini diasumsikan hasil benar tersebut tidak diketahui. Simpangan atau selisih (difference) antara hasil ukur (hasil pengamatan) dan hasil yang sebenarnya tersebut dinyatakan disebut sebagai ralat (error). Perlu dicermati di sini bahwa pengertian ralat bukan berarti kita salah mengukur, tapi lebih menggambarkan deviasi hasil baca alat ukur terhadap nilai "benar" besaran fisis yang diukur, akibat kita tidak mengetahui nilai benar dari apa yang ingin kita ukur. Meskipun demikian pada beberapa buku ada yang menyebutkan ralat dengan istilah kesalahan karena mengambil dari istilah error, untuk itu diharapkan Anda tidak perlu bingung.

     Oleh karena kita tidak mengetahui nilai benar tersebut maka hasil ukur yang kita peroleh harus dinyatakan dalam bentuk rentang (interval) hasil pengukuran. Dengan pengertian ini maka dalam mengukur tegangan misalnya, hasilnya dinyatakan dengan 1,5 volt atau V = (1,4  0,1) volt. Nilai benar pengukuran tentu saja berada didalam rentang hasil pengukuran ini. Oleh karena sebuah rentang nilai pengukuran sekaligus menyatakan ketidakpastian (uncertainty) hasil ukur maka pengertian ralat sering tidak dibedakan dengan pengertian ketidakpastian untuk menunjukkan deviasi pengukuran terhadap nilai benar. Sebagai contoh, sebuah pengukuran tegangan dituliskan hasilnya dengan V = (10,5  0,5) volt, artinya alat ukur kita menunjukkan hasil baca 10,5 volt (dengan ketidakpastian/ralat pengukuran 0,5 volt, sedangkan nilai benar kita berada dalam selang nilai (10,5 - 0,5 = 10,0 ) volt s.d (10,5 + 0,5 -- 11,0) voIt.
 
Akurasi
     Suatu alat ukur dikatakan tepat jika mempunyai akurasi yang baik yaitu hasil  ukur menunjukkan ketidakpastian yang kecil. Dapat juga dipahami sebagai seberapa dekat hasil ukur dengan nilai benarnya. Dalam hal ini sebelum sebuah alat ukur digunakan, harus dipastikan bahwa kondisi alat benar-benar
dalam keadaan baik dan layak untuk digunakan, yaitu alat dalam keadaan terkalibrasi dengan baik. Kalibrasi yang buruk akan menyebabkan ketidakpastian hasil ukur menjadi besar.
 
Kalibrasi
     Alat ukur perlu diteliti kalibrasinya sebelum dipergunakan agar hasil ukurnya  dapat dipercaya. Saat kalibrasi harus selalu menempatkan jarum penunjuk pada titik nol yang sesungguhnya, saat alat ukur akan digunakan. Sering pada sebuah alat ukur jarum penunjuk tidak berada pada titik nol yang semestinya sehingga saat digunakan nilai baca selalu lebih besar atau lebih kecil dari yang seharusnya sehingga menyumbang apa yang disebut ralat sistematis

Presisi
     Sebuah alat ukur dikatakan presisi jika untuk pengukuran besaran fisis tertentu  yang diulang maka alat ukur tersebut mampu menghasilkan hasil ukur yang sama seperti sebelumnya. Sebagai contoh jika pengukur tegangan dengan voltmeter menghasilkan pcngukuran diulang beberapa kali kemudian tetap menghasilkan pembacaan 5,61 volt, alat-alat tersebut sangat presisi.

Definisi dan Konsep Instrumentasi

 Definisi dan Konsep Instrumentasi

Definisi
 Definisi dan Konsep Instrumentasi

Pengenalan Tranducer

     Transduser adalah alat yang dapat diberi input penggerak dari sebuah atau lebih media transmisi, dan selanjutnya dapat membangkitkan sinyal yang sesuai dan diteruskan ke sistem transmisi atau media. Transduser ini memberikan output yang berguna pada waktu menangkap sinyal input yang diukur, mungkin berupa besaran fisika, mekanik, juga dapat berupa sifat tertentu atau sarat tertentu.

       Sebenarnya, energi adalah salah satu bentuk informasi, sistem transrnisi atau keadaan fisik diteruskan ke keadaan atau sistem lain. Alat yang bersangkutan mungkin termasuk mekanik, listrik, optik, kimia, akustik, panas, nuklir atau kombinasi dari itu. Sebagai contoh transduser mekanik misalnya barometer dengan jarum penunjuk sebagai pemeraganya, alat ini telah lama dipakai.

     Umumnya transduser mekanik mempunyai ketelitian tinggi, kokoh, harga lebih murah dan tidak memerlukan catu daya, tetapi alat itu mungkin tidak menguntungkan bila dipakai pada pengukuran ilmiah modern dan untuk pengaturan proses karena bekerjanya lambat, perIu gaya besar untuk mengatasi gesekan, tidak cocok untuk pengukuran jarak jauh. Kelemahan-kelemahan itu banyak dapat diatasi memakai transduser listrik.
 Pengenalan Tranducer
 Pengenalan Tranducer

 Pengenalan Tranducer
 Pengenalan Tranducer
 Pengenalan Tranducer
Pengenalan Tranducer